产品综述
广州乐鱼官网网页版_乐鱼(中国)官方生产的不锈钢破碎机,结合了国内外行业的先进经验后改造生产的破碎设备,具有质量好,外观豪华,噪音小,震动小,能耗低,使用寿命长,清理方便等优点。
★ 机器采取不锈钢材质,外表豪华美观大方,符合GMP要求。(可以根据客户要求定制304不锈钢材质)
★ 进料斗、破碎室、筛网是分离设计,装卸容易。
★ 入料口采取垂帘式设计,用5毫米厚度的硅胶条制成,避免物料飞溅。
★ 破碎室前后壁采用双层隔音,噪音低。
★ 皮带轮设有保护罩,安全可靠。
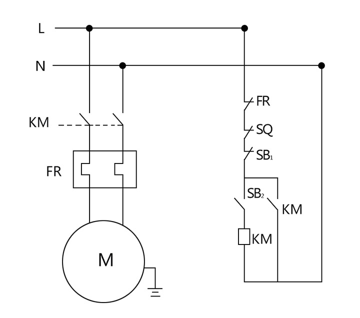
★ 破碎腔的上下层之间装有行程开关,上层进料斗打开时,将强制断电,起到保证安全的效果。
★ 马达装上过荷保护装置与电源连锁保护系统。
★ 采用进口优质工具钢,特制刀具,特别耐用,刀具安装设计可伸缩调整,用钝后可多次刃磨,反复多次使用,使用寿命特长。
★ 加工工艺成熟,箱体、刀架等重要部件采用整体加工,确保配合精度。动刀座为梯级剪式设计,使切削受力分解,造成切削力成倍增长。
★ 结构合理,操作方便,省电耐用,实用经济。
★ 通用型塑料破碎机,采用密封轴承,使轴承转动长时间保持良好,刀型设计合理,产品成粒均匀,刀座热缩处理,外形设计美观大方。
★ 乐鱼官网网页版_乐鱼(中国)官方不锈钢破碎机的机架高度和宽度比传统铁质破碎机要大15-30厘米,这样使接料斗的长宽高都有相当大的提升,接料斗容积比普通破碎机的接料斗大一倍以上。
★ 本系列不锈钢破碎机的出料口采取独特的外翻裙边处理,可以外接布袋,有以下几个优点:
1、最大程度的减少物料破碎过程中产生的粉尘飞扬;
2、传统破碎机的接料斗容量极其有限,料斗装满后,要关掉电源,换上另外一个接料斗才能继续工作,导致浪费人工、生产效率低,而本机的独特设计,大大减少了人工浪费,提高了生产效率。(备注:传统破碎机无外翻裙边设计,加上出口离地面高度太低,根本无法接布袋)
★ 本系列破碎机的180/250型号都装有橡胶脚轮,方便移动,脚轮带有刹车。
适用范围
乐鱼官网网页版_乐鱼(中国)官方不锈钢破碎机适用于中草药、化工材料、硬度较低的矿石以及聚苯乙烯、聚丙烯、尼龙、工程塑料和聚氯泡沫软料的废、次品或注射喷头等破碎之用。如更换相应的筛孔板,并调整刀片间隙,还可破碎各种吹塑膜、压延膜、薄片、薄板、矿泉水瓶等塑料废品。
1、 产品特点 在食品、医药、化工、饲料、科研等行业的粉碎加工中,受原始物料形状各异,体积的大小不同及物质性态的影响,出现难进料,难加工的情况。根据这些特性,我们专门针对性的研发出全不锈钢破碎机。本机不受物料的粘度,硬度,软度等限制,对任何物料都能起到很好的破碎。
2、主要用途 本机主要适用于食品、医药、化工行业,对坚硬、含纤维等难加工物料进行破碎加工,包括木质类、鲜骨、塑料等等,也可作为微细粉碎加工的前道加工工序。
3、本机局限于机器原理和刀具材质,不得用于破碎金属、硬度高的矿石、密度极高的木材等坚硬物料。
工作原理
乐鱼官网网页版_乐鱼(中国)官方不锈钢破碎机为全不锈钢材质,由机架,进料斗,破碎腔,筛网架,接料斗,电机等五部件构成,结构简单,清洗方便,噪音低,效果好。是目前最为理想的不锈钢破碎设备。加工时物料由进料斗进入破碎腔,经旋转的动刀与固定的静刀冲击剪切获得破碎,通过刀具间的间隙调节及配用合适的筛网获得理想的颗粒。
安装与操作
1、选择合理的安装场地,保证通风良好,利于电机散热,延长使用寿命。
2、检查破碎腔内是否有金属类过硬杂物,各紧固螺丝是否松动。
3、根据需要调整动刀与静刀之间的间隙,选配合适的筛网。
4、接通电源,启动机器,检查轴刀的旋转方向是否与要求一致,确认正常后即可投料生产。
注意事项
1、物料中不能含有金属类过硬杂物,一旦进入将对刀具产生严重损伤。
2 、电机转向必须与要求保持一致。
3 、生产过程中若出现异常噪音,应立即停机检查,排除故障后方可继续生产。
4 、定期检查设备的螺丝,刀具是否有松动现象,及时加固。若发现刀具磨损严重,应及时的研磨或更换。以免影响整体的破碎效果。
5 、当出料过慢或过细时,可能是筛网发生了堵塞,应及时清理。
6 、本机在工作过程中要有专人看管,发现噪音异常,应马上关闭电源,检查机器,直至问题排除后,方可再次开机工作。
7、本机不得破碎易燃易爆品。
技术参数
|
型号
|
PE-180S
|
PE-250S
|
PE-400S
|
PE-600S
|
PE-800S
|
|
电压(V)
|
220V
|
380V
|
380V
|
380V
|
380V
|
|
功率(KW)
|
2.2
|
4
|
7.5
|
15
|
22
|
|
主轴转速(r/min)
|
715
|
690
|
|
|
|
|
进料口径(mm)
|
190×138
|
245×165
|
405×208
|
605×213
|
805×228
|
|
动刀
|
9
|
6
|
12
|
18
|
24
|
|
定刀
|
2
|
2
|
2
|
4
|
4
|
|
粉碎能力(kg/h)
|
80~150
|
120~250
|
200~400
|
300~500
|
500~1000
|
|
筛网孔径(mm)
|
标配孔径为6mm或8mm,另可定制10/12/14/16/18/20/30,一般不定制小于6mm的孔径
|
|
机械尺寸(mm)
|
826×530×1123
|
1002×625×1158
|
1178×805×1300
|
1187×1046×1502
|
1575×1245×1582
|
|
重量(kg)
|
180
|
200
|
|
|
|
电路示意图

